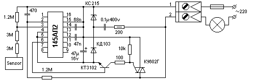
Сенсорный регулятор собран на отечественной БИС 145АП2. Схема содержит минимум деталей (рис.1,2), и при правильной сборке начинает работать сразу, не требуя дополнительных настроек. При кратковременном прикосновении к сенсору происходит включение(выключение) лампы. При удержании сенсора происходит плавная регулировка яркости, состояние запоминается до следующей регулировки.

Рис.1 Принципиальная схема и внешний вид сенсорного регулятора на 145АП2 (первый вариант)
Рис.2 Принципиальная схема и внешний вид сенсорного регулятора на 145АП2 (второй вариант)
Новый вариант печатной платы, в отличии от предыдущего позволяет использовать современные симисторы типа BT138-600 (рис.3).

Рис.3 Фото сенсорного регулятора на 145АП2 (второй вариант) с использованием BT138-600

Рис.4 Печатная плата сенсорного регулятора на 145АП2 с использованием BT138-600

